navigation
日本THINK马达TE-16KM-12-384/TE-16KM-12-36
| TE-16KM-12 | ||
| 遊星ギヤを使用。 汎用モデル。 |
| ■ ギヤードモータ仕様※の出力軸回転方向は、正電位印加時のモータ回転方向に同じ。※ 逆接続にて、逆方向に回転します。※ 定格回転数は、定格トルクより算出したものです。 |
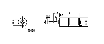
機種名定格電圧定格負荷無負荷機械的瞬間許容トルク出力L寸法重量電流回転数トルク電流回転数VmAr/minmN・mKgf-cmmAr/minmN・mKgf-cmWmmg TE-16KM-12-16 12200以下5207.840.08100以下73023.520.240.4333.030.0 TE-16KM-12-24 12200以下34511.760.12100以下50035.280.360.4333.030.0 TE-16KM-12-36 12200以下23017.640.18100以下32552.920.540.4333.030.0 TE-16KM-12-64 12200以下12031.360.32100以下18594.080.960.3936.035.0 TE-16KM-12-96 12200以下80.047.040.48100以下125137.201.400.3936.035.0 TE-16KM-12-144 12200以下54.070.560.72100以下82.0205.802.100.4036.035.0 TE-16KM-12-216 12200以下38.098.001.00100以下55.0294.003.000.3936.035.0 TE-16KM-12-256 12200以下28.0117.601.20100以下45.0352.803.600.3540.040.0 TE-16KM-12-384 12200以下18.0186.201.90100以下30.0588.006.000.3540.040.0 TE-16KM-12-576 12200以下12.4274.402.80100以下20.0588.006.000.3640.040.0 TE-16KM-12-864 12200以下8.7392.004.00100以下13.5588.006.000.3640.040.0 TE-16KM-12-1296 12200以下6.5392.004.00100以下8.8588.006.000.2740.040.0 |
| ■ モータ仕様 |
| 定格電圧 | 12 | V | ||
|---|---|---|---|---|
| 定格負荷トルク | 0 | .49 | mN・m | |
| 5 | .00 | gf-cm | ||
| 定格負荷回転数 | 12000 | r/min | ||
| 定格負荷電流 | 150 | mA | ||
| 無負荷回転数 | 13500 | r/min | ||
| 無負荷電流 | 50 | mA | ||
| 回転方向 | 時計方向(CW) | |||
| アマチュア内 バリスタ付き | ||||
| ■ モータ特性表 |
![]() |
| クリックで、拡大表示します。 |
| ■ 外観図 |







所有产品分类


友情链接Link

