栏目导航
navigation
松泰克Sonotec刀具FB-3136-6L4/FB-3136-5H/FB-3116-11/FB-328
发布时间:2025-09-06
松泰克Sonotec刀具FB-3136-6L4/FB-3136-5H/FB-3116-11/FB-328
超音波カッター刃物工具
刃物工具リスト
ソノテックの刃物工具は交換が簡単・確実で、取り付け位置の再現性に優れています。発振器はお客様の用途に合わせ調整しております。工具選定の際は必ずご相談ください。また、機械を永く快適にお使い頂くために、必ず純正工具をご使用ください。以下の他にも数百種類以上の刃物を取り扱っております。

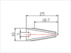
FB-3134
材質:ハイス
刃厚:0.4mm
特長
0.4mmの両刃タイプです。手動の作業に向いています。

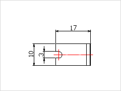
FB-3136
材質:ハイス
刃厚:0.6mm
特長
0.6mm標準工具の短いタイプです。

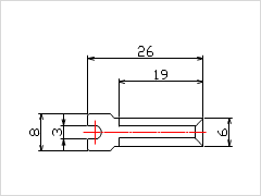
FB-3136-5H
材質:ハイス
刃厚:0.6mm
特長
0.6mmの標準工具です。

FB-3136-6L4
材質:ハイス
刃厚:0.6mm
特長
0.6mm標準工具の長いタイプです。

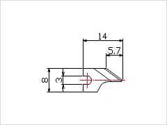
FB-3116-11
材質:ハイス
刃厚:0.6mm
特長
幅広のゲートカットや小径チューブの切断に向いています。

FB-3281-1L
材質:超硬
刃厚:1.0mm
特長
シートの切断やプロッターに取り付けての使用に*適です。

FB-3236-6L
材質:超硬
刃厚:0.6mm
特長
ガラス繊維入り素材やカーボンの切断などに向いています。

FB-3106
材質:ハイス
刃厚:0.6mm
特長
先端と側面に刃が付いています。角穴切断などに*適です。

FB-0231-6L
材質:超硬
刃厚:1.0mm
特長
ガラス繊維入り素材やカーボンの切断などに向いています。





所有产品分类
友情链接Link

